Especificaciones del adaptador
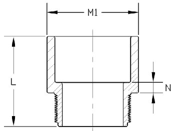
Slip Fit - adaptadores roscados (macho)
Los adaptadores roscados: Adecuado para su uso con respiradores de Air Sentry que tienen una conexión de ajuste deslizante 1 ", están destinados a depósitos o cajas de cambio con un espesor de pared suficiente para un agujero roscado macho y hembra NPT y BSP. Las siguientes versiones están disponibles.
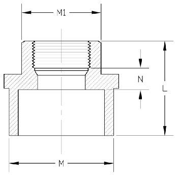
Slip Fit - adaptadores roscados (hembra)
Slip Fit bayoneta adaptadores
Los adaptadores de bayoneta: reemplaza una tapa estándar en un depósito hidráulico. Simplemente quite la tapa de respiración, coloque el adaptador de bayoneta en la brida de ventilación, y gire un cuarto de vuelta. No es necesario modificar el tanque. adaptadores de bayoneta encajan en respiradores Air Sentry con una conexión deslizante de ajuste 1 ".
Slip Fit roscados spin-on adaptadores
Spin-on adaptadores roscados: sustituir el spin-on de partículas filtros estándar hechas por muchos fabricantes. Estos adaptadores se ajustan respiran aire Sentry con 1 "conexiones de deslizamiento de ajuste, están disponibles en diferentes tamaños y configuraciones de rosca. No se requieren modificaciones del tanque.
Slip Fit adaptadores de brida
Los adaptadores de brida: Se utilizan con respiradores que tiene una conexión de deslizamiento de ajuste 1 ", se utilizan para embalses, donde la pared del depósito no es lo suficientemente gruesa como para permitir el roscado con el adaptador modelo A-101, los agujeros de montaje pueden ser perforados en la parte alta. impacto de ABS moldeado brida para aparearse con cualquier patrón de agujeros requerida. El adaptador de brida modelo a-114 tiene un patrón ANSI estándar de 6 agujeros previamente perforados para el montaje.
Adaptadores roscados metálicos
Adaptadores roscados metálicos: Montar el X-100 y cualquier respiradero serie Z. La conexión del respiradero es de ½ "NPT macho mientras que una variedad de tipos de conexión de depósito están disponibles.
Splash Sentry ™
Splash Sentry es un adaptador de acero anodizado, disponible en 1 "NPT y 2" NPT, que protege el respiro de salpicaduras de líquidos cuando se instala en, o equipo móvil, fuera de la carretera minera.

-ts1457019422.jpg)

-ts1457019564.jpg)









